联系我们
回到顶部
FST3.0 IGBT
长晶科技
半导体产品研发商
+关注
已关注
已点赞
点赞
转发
已收藏
收藏

—产品介绍—

长晶科技本次推出了FST3.0(对标国际Gen7.0) 650V和1200V系列的三款IGBT单管,主要用于光伏储能等应用。


图片


CGR120N65F3SAD

 CGR160N65F3KAD

 CGR140N120F3KAD







—产品参数—

图片
图片
图片

新品特点

1. 使用最新的微沟槽栅(1.6μm Pitch)+场终止技术,提高载流子密度;

2. 芯片元胞/功率密度增大,经济性更好;

3.  针对光储类应用优化了通态损耗和开关损耗,同时又保证产品的鲁棒特性。


以1200V、140A产品为例,参数对比主流竞品参数如下:

图片
图片


—应用方案—

图片
图片

针对光伏储能/逆变器应用,长晶科技产品优势在于:

1.产品经过全面测试,确保能够面对光伏系统的恶劣运行环境

2.领先的功率密度水平,保证最少的能量损失

3. 适应多个逆变器类型,提供丰富的太阳能系统解决方案

在此按照应用方案不同推荐如下

单向储能逆变器

图片


图片

IGBT

图片

FRD

图片


组串式光伏逆变器

图片

组串式光伏-TNPC,是最适合的开关频率低于20kHz的拓扑,需要同时用到650V和1200V的IGBT,长晶科技按应用功率不同进行推荐如下:

图片
图片

IGBT

图片



DC-AC Inverter

图片


图片

IGBT

图片

FRD

图片


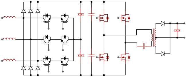
30/40kW充电模块

图片


针对充电桩市场应用长晶产品优势在于:

1.优化VCE(sat),降低导通损耗和温升,兼顾优秀的运行可靠性

2.优化体二极管反向恢复损耗

3. 成熟的充电桩解决方案,国内优秀厂商的成功案例

30/40kW充电模块应用中推荐如下

图片

IGBT

图片

FRD

图片

SiC MOS

图片


欢迎联系我们了解更多


njpm.list@jscj-elec.com



推荐
来自长晶科技