长晶科技FST3.0 IGBT新品发布&光伏储能/逆变器/充电模块应用方案
—产品介绍—
长晶科技本次推出了FST3.0(对标国际Gen7.0) 650V和1200V系列的三款IGBT单管,主要用于光伏储能等应用。
CGR120N65F3SAD CGR160N65F3KAD CGR140N120F3KAD —产品参数— 新品特点 1. 使用最新的微沟槽栅(1.6μm Pitch)+场终止技术,提高载流子密度; 2. 芯片元胞/功率密度增大,经济性更好; 3. 针对光储类应用优化了通态损耗和开关损耗,同时又保证产品的鲁棒特性。 以1200V、140A产品为例,参数对比主流竞品参数如下:
—应用方案— 针对光伏储能/逆变器应用,长晶科技产品优势在于: 1.产品经过全面测试,确保能够面对光伏系统的恶劣运行环境 2.领先的功率密度水平,保证最少的能量损失 3. 适应多个逆变器类型,提供丰富的太阳能系统解决方案 在此按照应用方案不同推荐如下 单向储能逆变器
IGBT
FRD
组串式光伏逆变器
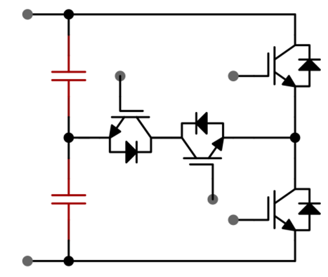
组串式光伏-TNPC,是最适合的开关频率低于20kHz的拓扑,需要同时用到650V和1200V的IGBT,长晶科技按应用功率不同进行推荐如下:
推荐
来自长晶科技
中间相沥青-Mesophase Pitch
中欣新碳
2026-02-08
0:20:56
机器人族谱
英诺嘿呀研究
2026-01-26
0:21:18
机器人进化史(下)
英诺嘿呀研究
2026-01-23
0:16:00
机器人进化史(上)
英诺嘿呀研究
2026-01-23
0:02:05
四时为序,步履向前。 Goertek | 风物*
歌尔股份
2025-12-21
0:00:26
下雪了?科大讯飞AI总部园区变身冬日童话镇,快和飞飞一起在雪地撒欢,这个冬天,讯飞星火大模型更懂你的奇思妙想。
科大讯飞
2025-12-21
0:01:23
AI审校凭什么能帮编辑省时又省力?
数传集团
2025-11-25
0:01:23
“天狼”新一代四足机器人
五八智能
2025-11-03