中国企业互动平台
及新兴产业数据库
GD30BM201x 电池模拟前置芯片
兆易创新
存储器技术和IC解决方案提供商
+关注
已关注
已点赞
点赞
转发
已收藏
收藏

冗长选型周期拖慢项目进度,海量选型方案对比耗时费力,电源管理芯片选型是否总让您焦头烂额?8月20日(本周三)15:00-16:00,“芯品星期三——电源管理芯片专场”将在EETC & EDNC 双站及视频号同步线上直播,聚焦兆易创新电池模拟前置芯片GD30BM201x,直击电芯全温全生命周期测量精度不足、电池模组串数设计兼容性差、BMS AFE 芯片及系统级可靠性欠佳、供应链稳定性缺乏等核心问题,为您提供精准匹配储能、微动力电池等场景的高效解决方案。



GD30BM201x产品简介


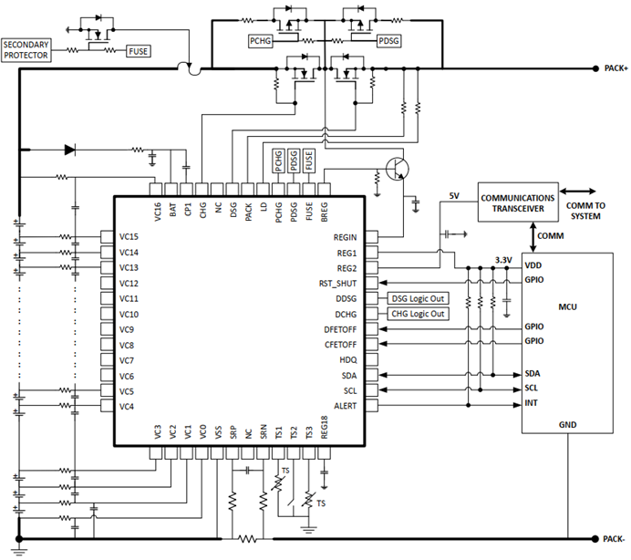
兆易创新GD30BM201x系列,是一款针对3至16串电池系统的工业级高精度、高可靠性电池模拟前置芯片。该系列产品能够为电池和供电电池模组提供全面的安全保障,为基于电芯供电的设备提供全方位的安全监护,广泛适用于电动工具、二/三轮车、便携式储能系统、通信基站备电、户用储能、AGV、机器人等应用场景。目前,产品已经在行业主流的头部客户批量出货。


GD30BM201x系列核心优势

准确监测电芯电压、电流、温度等物理量,全温电压采集精度±5 mV

实现对电池模组的安全监测和控制

电池状态参数(Sox)的精准测算,优于3%的SOC 算法

系统端整体防护参考机制


GD30BM201x系列:直击BMS四大核心痛点


图片


选型参考


3~16串电池需求,可选择GD30BM2016XX系列

3~10串电池需求,可选择GD30BM2010XX系列

图片


图片

▲GD30BM201x系列应用框图


直播预告


兆易创新PMU事业部产品市场资深经理陈高波将在本次直播间深度解析全新高精度高可靠性电池模拟前置芯片GD30BM201x的应用优势与选型策略。观看本次直播,还可与嘉宾实时互动答疑,快速扫清选型障碍,加速产品落地!


8月20日(本周三)15:00-16:00

锁定“芯品星期三——电源管理芯片专场”直播间

揭秘GD30BM201x的创新潜力!

立即扫码预约⬇


图片
图片
图片



推荐
来自兆易创新