联系我们
回到顶部
125kW组串式光伏逆变器
宏微科技
功率半导体器件生产商
+关注
已关注
已点赞
点赞
转发
已收藏
收藏

图片


产品介绍

宏微科技本次推出适合125kW组串式光伏逆变器的产品MMG400CF065PD6T5C/MMG450HP065PD6T5, 采用宏微GCF与GHP封装(兼容Easy 3B / Flow2 ),均通过HV-H3TRB可靠性试验,在客户应用工况下有着极高的效率。

图片

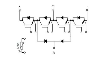
电路拓扑:NPC-I


MMG400CF065PD6T5C


图片


01
产品特点

  • 采用焊接PIN的GCF封装(兼容Easy3B)

  • 功率密度高的模块

  • 采用Si3N4陶瓷的低热阻设计

  • 低寄生电感的模块设计设计

  • 400A 650V NPC-I 拓扑

  • 采用G5T技术平台芯片(对标S5)


02
应用价值

  • 通过HV-H3TRB的可靠性实验

  • 芯片技术平台升级(5代),提高功率等级

  • 三电平的应用,提高开关速度

  • 内管采用快速管,兼顾兼顾无功输出与储能应用

  • Si3N4陶瓷降低热阻,增强散热,显著提高应用功率(可达120KW以上)

  • 高可靠性的封装,锁敷安装TC 200次循环后模块没有明显变

拥有无功输出能力,夜间可以进行无功功率补偿

电网电压与电流产生相位差,就要求光伏逆变器拥有无功输出能力。同时夜间对电网的无功功率补偿可以得到更大的经济收益。宏微GCF在无功输出工况下,外管损耗比竞品I小7.7%,内管损耗与竞品I小16.4%。宏微产品相比于竞品I在无功输出情况下,拥有更低的芯片结温、更高的效率图片

无功输出工况下宏微与竞品I损耗对比图

高导热的Si3N4陶瓷,低芯片结温,更高的功率等级
宏微GCF产品热阻远小于竞品I的热阻。同功率段下,宏微产品芯片结温比竞品低很多。这使宏微产品可以适应更高的电流,从而提高功率等级

图片

高可靠性的封装,满足客户长期应用
众所周知,塑料件在温度循环后会产生形变量,同时GCF的涂敷效果靠模块内部顶柱与塑料件到DBC的一致的四角高度高度保障。因此这两个位置的塑料在温度循环后变化量的多少对模块的锁敷安装有很大的影响。就实验结果看,温度循环后,宏微产品这两个位置塑料长度/高度基本没有变化,所以宏微GCF可以长期保持完美的锁敷效果,满足客户长期应用。
图片
MMG450HP065PD6T5


图片


01
产品特点

  • 采用焊接针的GHP封装(兼容Flow2)

  • 功率密度高的模块

  • 采用低内阻、高可靠性的的PIN针设计

  • 低寄生电感的模块设计设计

  • 450A 650V NPC-I 拓扑


02
应用价值

  • 通过HV-H3TRB可靠性实验

  • 芯片并联数少,均流效果好

  • 三电平的应用,提高开关速度

  • 优异的动静态参数

  • 低内阻、高可靠性的的PIN针,提高整机效率与长期应用的稳定性


低压降、低动态损耗,降低整机损耗,提高系统效率
静态:宏微静态全面优于竞品,降低导通损耗。

图片


图片


动态:宏微高温动态全面优于国内竞品S,开关损耗大幅降低,提高系统效率。

图片工况Tj=125℃Rgon=10Ω, Rgoff=30Ω, VCC=400V下的开关总损耗对比图


PIN针焊锡不易脱落,可靠性高
有些该封装的竞品模块因PIN针通流能力强,材料软,在长期使用后会出现PIN针焊锡脱落的问题。宏微GHP模块通过1000次循环的温度冲击试验,PIN针焊点无异常;即使拉拔力大于产品PIN针承受极限,焊锡也不会脱落。牢固的PIN针焊接保证了产品的长期可靠性。

图片

总结
MMG400CF065PD6T5C/MMG450HP065PD6T5是基于宏微先进的第五代芯片技术平台开发的高功率密度的模块,适用于125KW组串式光伏逆变器。这两款模块拥有高效率、高可靠性、高功率密度等优势,并且还避免了因高速芯片引发的开关过程的震荡、电压尖峰过高等问题。宏微这两款模块保证了客户整机长期稳定的运行。


推荐
来自宏微科技