IRS111-3系列
版本
Scara版
负载
3KG
工作区域
150mm
轴数
4轴
安装方式
桌面
精度
0.01mm
防护等级
/
本体重量
13
能耗
0.7kw
主要应用
物料搬运,装配,检测
收藏
已收藏
产品详情
高性能紧凑型 SCARA 机器人,具备高速高精、高可靠性、高易用性等诸多优异性能,为大批量、柔性化生产保驾护航。

适用行业
广泛用于搬运、贴标、分拣、锁付、检测、插件、装配等应用场合。
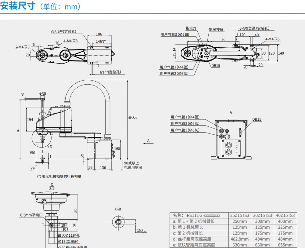
技术参数



A股代码
300124.SZ
专利数量
1442
公司简介
深圳市汇川技术股份有限公司(简称“汇川技术”)创立于2003年,聚焦工业领域的自动化、数字化、智能化,专注“信息层、控制层、驱动层、执行层、传感层”核心技术,专注于工业自动化控制产品的研发、生产和销售,定位服务于高端设备制造商,以拥有自主知识产权的工业自动化控制技术为基础,以快速为客户提供个性化的解决方案为主要经营模式,持续致力于以领先技术推进工业文明,快速为客户提供更智能、更精准、更前沿的综合产品及解决方案,是国内工业自动化控制领域的佼佼者和上市企业,入选 “2022胡润中国500强民营企业”,排名第42位。汇川技术拥有苏州、杭州、南京、上海、宁波、长春、香港等30余家分子公司。2024年,汇川技术全年实现营业总收入达370.4亿元,较上年同期增长22%,实现营业净利润42.9亿元,研发投入31.47亿元,拥有员工2万余人,其中专门从事核心平台技术研究、应用技术研究和产品开发的研发人员达5538人。
经营范围
一般经营项目是:工业自动控制系统装置制造;工业自动控制系统装置销售;工业控制计算机及系统制造;工业控制计算机及系统销售;智能机器人的研发;智能机器人销售;工业机器人制造;工业机器人销售;工业机器人安装、维修;电机制造;电机及其控制系统研发;虚拟现实设备制造;软件开发;输配电及控制设备制造;机械设备销售;机械设备研发;机械电气设备制造;机械电气设备销售;其他通用仪器制造;电力电子元器件制造;物联网技术研发;物联网设备制造;互联网设备制造;工业互联网数据服务;智能基础制造装备制造;智能基础制造装备销售;配电开关控制设备制造;配电开关控制设备销售;配电开关控制设备研发;电力电子元器件销售;技术服务、技术开发、技术咨询、技术交流、技术转让、技术推广;企业总部管理;以自有资金从事投资活动;非居住房地产租赁。(除依法须经批准的项目外,凭营业执照依法自主开展经营活动),许可经营项目是:货物进出口;技术进出口;电气安装服务。(依法须经批准的项目,经相关部门批准后方可开展经营活动,具体经营项目以相关部门批准文件或许可证件为准)
主营业务
工业自动化控制产品的研发、生产和销售,提供工业自动化领域的整体解决方案
深圳市汇川技术股份有限公司
股份有限公司(上市)
¥26.6033亿
2003-04-10
朱兴明
0755-29799595
hefangmei@inovance.com
深圳市龙华区观湖街道鹭湖社区澜清二路6号汇川技术总部大厦1单元101