底座力传感器
收藏
已收藏
产品详情
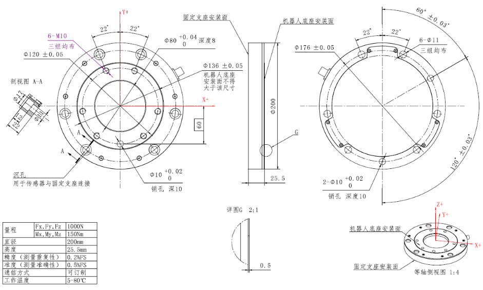
KWR200系列六轴力传感器是一款大量程的多维力传感器,内置高精度嵌入式数采系统,能够实时测量并传输三个方向的力和力矩。产品材质为高强度合金钢,结构紧凑,抗弯能力强。现已应用于协作机器人底座、大型工业机器人末端,均取得良好的应用效果。
●内置高精度嵌入式数据采集系统
●大量程六轴力传感器

技术参数

产品安装尺寸图

融资次数
7
专利数量
2
公司简介
坤维(北京)科技有限公司成立于2018-05-10,法定代表人为熊琳,注册资本为430.9142万元,统一社会信用代码为91110109MA01C2L45U,企业注册地址位于北京市门头沟区石龙经济开发区永安路20号3号楼A-6338室,所属行业为研究和试验发展,经营范围包含:工程和技术研究;软件开发;技术开发、技术推广、技术转让、技术咨询、技术服务;企业管理咨询;企业形象策划;教育咨询(不含出国留学咨询及中介服务);经济贸易咨询;会议服务;组织文化艺术交流活动(不含演出);生产传感器产品(限在外埠从事生产活动);委托加工机械设备。(市场主体依法自主选择经营项目,开展经营活动;依法须经批准的项目,经相关部门批准后依批准的内容开展经营活动;不得从事国家和本市产业政策禁止和限制类项目的经营活动。)。企业当前经营状态为存续。
经营范围
工程和技术研究;软件开发;技术开发、技术推广、技术转让、技术咨询、技术服务;企业管理咨询;企业形象策划;教育咨询(不含出国留学咨询及中介服务);经济贸易咨询;会议服务;组织文化艺术交流活动(不含演出);生产传感器产品(限在外埠从事生产活动);委托加工机械设备。(市场主体依法自主选择经营项目,开展经营活动;依法须经批准的项目,经相关部门批准后依批准的内容开展经营活动;不得从事国家和本市产业政策禁止和限制类项目的经营活动。)
主营业务
专注于为工业场景提供六维力觉传感器产品及测量解决方案,旨在打破国际市场垄断,降低成本,普及六维力传感器在工业自动化领域的应用
坤维(北京)科技有限公司
其他有限责任公司
¥405万
2018-05-10
熊琳
18911370706
wx@kunweitech.com
北京市门头沟区石龙经济开发区永安路20号3号楼A-6338室