联系我们
回到顶部

芯力特车规TVS提供更具性价比的选择

发布者:芯力特
时间:2025-08-26
收藏
已收藏
图片


背景

01

车辆电气系统中可能出现瞬态过电压问题,这些过电压可能由多种原因引起,比如静电放电、引擎启动、电磁干扰、车辆内部电子设备的开关操作,甚至雷击等。总线如果没有适当的保护措施,可能会导致ECU(电子控制单元)等关键组件失效,从而引发系统故障或安全问题。


TVS工作原理

02

TVS的作用是在瞬态过电压发生时,它们能迅速将电流分流到地线,限制电压峰值,防止ECU关键组件失效。这是一种低成本且有效的保护手段,通常被集成在汽车电源、CAN总线(Controller Area Network)、LIN总线(Local Interconnect Network)或其他数据通信线路中。因此,它们是现代汽车电子系统设计中的标准组成部分


图片



芯力特TVS产品

03

芯力特深耕车规CAN/LIN通讯接口芯片,在广泛的应用中了解客户的需求,推出汽车级TVS产品,助力车规CAN/LIN通讯接口保护。

本次重点介绍5TVS产品,其中2款为最新推出的高性能TVS,新一代TVS在关键参数上实现显著突破,特别是在超低寄生电容(Cj)方面表现突出,为高速通信应用提供更优保护方案。

1. TVS型号和典型参数红色为新产品

图片

2. TVS产品详细参数介绍

(1). SITLW24V1BNQ-2/TR

产品特性:

截止电压VRWM:±24V 

漏电流IR:50nA 

钳位电压Vc:30V

峰值电流Ipp:5A

结电容Cj:14pF 

封装类型:SOD-323

应用场合:

LIN总线保护

防护等级:

IEC61000-4-2(ESD):±30kV(contact discharge);±30kV(air   discharge)

ISO10605(ESD):±30kV(contact discharge)

电路框图:

图片

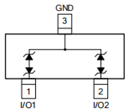
(2). SITSE24V2BNQ-3/TR

产品特性:

截止电压VRWM:±24V 

漏电流IR:50nA 

钳位电压Vc:31.5V

峰值电流Ipp:4A

结电容Cj:5.5pF 

封装类型:SOT-23

应用场合:

CAN/CAN FD总线保护

防护等级: 

EC61000-4-2(ESD):±30kV(contact discharge);±30kV(air discharge)

ISO10605(ESD):±30kV(contact discharge)

电路框图:

图片

(3). SITLE24V2BNQ-3/TR

产品特性:

截止电压VRWM:±24V 

漏电流IR:50nA 

钳位电压Vc: 35V

峰值电流 Ipp:8A

结电容 Cj:10pF 

封装类型:SOT-23

应用场合:

CAN/CAN FD总线保护

防护等级: 

IEC61000-4-2(ESD):±30kV(contact discharge);±30kV(air discharge)

ISO10605(ESD):±30kV(contact discharge)

电路框图:

图片

(4). SITNE24V2BNQ-3/TR

产品特性:

截止电压VRWM:±24 V 

漏电流IR:50 nA 

钳位电压Vc: 38 V

峰值电流 Ipp:8 A

结电容 Cj:24 pF 

封装类型:SOT-23

应用场合:

CAN总线保护

防护等级: 

IEC61000-4-2(ESD):±30kV(contact discharge);±30kV(air discharge)

ISO10605(ESD):±30kV(contact discharge)

电路框图:

图片

(5). SITNW24V1BNQ-2/TR

产品特性:

截止电压VRWM:±24V 

漏电流IR:50nA 

钳位电压Vc: 37V

峰值电流Ipp:7A

结电容 Cj:25pF 

封装类型:SOD-323

应用场合:

LIN总线保护

防护等级: 

EC61000-4-2(ESD):±30kV(contact discharge);±30kV(air discharge)

ISO10605(ESD):±30kV(contact discharge)

电路框图:

图片

3. EMC性能表一览

图片

4. 应用示意图

图片

Lin总线接口ESD保护方案

图片

CAN/CAN FD总线接口ESD保护方案

图片

CAN总线接口ESD保护方案