联系我们
回到顶部

新品发布 |智能功率模块(IPM)系列

发布者:富满微电子
时间:2025-09-05
收藏
已收藏

智能功率模块

(IPM)系列

—— FMM05N60HE0/FMS10N60HD8 ——


定义与概述

智能功率模块(Intelligent Power Module, IPM)是一种集成功率半导体器件、驱动电路、保护电路及控制接口于一体的高性能模块化电力电子器件。它将传统分立式功率器件(如IGBT、MOSFET)与驱动和保护功能集成在单一封装内,显著提升了系统的可靠性、效率和功率密度。



目录

新品推出背景

半桥FMM05N60HE0

全桥FMS10N60HD8



图片

新品推出背景

图片




图片



01 富满微新品 功率芯选

为顺应工业自动化与绿色能源趋势,富满微电子推出新一代智能功率模块IPM系列FMM05N60HE0(单相半桥IPM) / FMS10N60HD8(三相全桥IPM),以满足市场对高效能功率半导体的迫切需求。

该系列产品高度集成驱动与保护电路,旨在提升工业控制、变频家电等应用的功率密度与系统可靠性。通过为客户提供高集成、高能效的解决方案,有效降低设计复杂度与开发成本,展现了富满微推动产业智能化升级的核心技术实力与战略布局。


02 功率模块 核心特点

集成化设计

功率器件+驱动电路+保护功能;

高可靠性

内置过流、过压、过热等保护机制;

简化设计

减少外围电路,缩短开发周期;

低电磁干扰(EMI)

优化的内部布局与驱动设计;

热管理优化

集成散热基板,支持高效散热。



图片

半桥FMM05N60HE0

图片


图片

600V/5A 单相半桥智能功率模块(IPM)

FMM05N60HE0


一、产品介绍

FMM05N60HE0是一款单相半桥智能功率模块,用于无刷直流电机驱动,主要应用于较低功率变频驱动,如风扇,电机等。其内置了2个低导通阻抗的 MOSFET和 一颗智能化的 HVIC 栅极驱动电路。内部集成高低侧欠压保护,过流保护电路,SD使能关断功能,故障输出功能,输入信号双高互锁,内置死区时间,过温保护等,提供了优异的保护和故障安全操作功能。

FMM05N60HE0内部集成了自举二极管,简化了外围线路;采用CSOP-13L封装,高绝缘,易散热,在复杂环境使用稳定可靠。


二、产品特点

内置2个650V/5A 低导通阻抗的 MOSFET

内置高压栅极驱动电路(HVIC)

内置高低侧欠压保护

内置过流保护

SD 使能关断

FO 故障输出功能

过温保护

集成自举二极管

内置双高互锁、死区功能

兼容 3.3V-15V 的信号输入电压,高电平有效


三、应用领域

洗衣机、空调

水泵、电机控制

风机


四、封装形式

● CSOP-13L

图片


带有过流保护功能的单电阻拓扑结构

图片


带有过流保护功能的3电阻拓独立扑结构

图片


该型号系列的产品信息规格如下:

图片




图片

全桥FMS10N60HD8

图片


图片

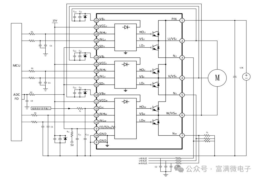
600V/10A 三相全桥智能功率模块(IPM)

FMS10N60HD8


01 产品介绍

FMS10N60HD8 是一款三相全桥智能功率模块,用于无刷直流电机驱动,主要应用于较低功率变频驱动,如洗衣机、风扇电机等。其内置了6个低损耗 IGBT和 3个半桥 HVIC 栅极驱动电路。

内部集成欠压保护,过流保护电路,SD使能关断功能,温度输出功能,提供了优异的保护和故障安全操作。由于每一相都有一个独立的负直流端,其电流可以分别单独检测。

FMS10N60HD8 内部集成了自举二极管,简化了外围线路:采用 DIP-25D 封装,便于安装散热片,高绝缘,易散热,在复杂环境使用稳定可靠。


02 产品特点

内置6个650V/10A 低损耗IGBT

内置高压栅极驱动电路(HVIC)

内置欠压保护

内置过流保护

SD 使能关断

温度输出功能

集成自举二极管

内置双高互锁功能

兼容3.3V、5V的信号输入电压,高电平有效


03 应用领域

洗衣机、油烟机

水泵、电机控制

风机


04 封装形式

 DIP-25D

图片


典型应用电路图

图片